服务热线: 028-27262166

产品中心

Products

产品中心

Products

产品中心

您当前位置: 网站首页 > 产品中心 > 品牌产品

止回阀 18DX系列

阅读次数:372     发布时间:2017-06-02

■DH61F-40P 低温止回阀




主要技术参数:

公称通径:

10、15、20、25、32、40mm

公称压力:

4.0MPa

适用介质:

LO2、LN2、LAr等

适用温度:

-196℃~+80℃



主要零件材料:

阀体:

不锈钢

阀盖:

不锈钢

阀顶:

不锈钢













 

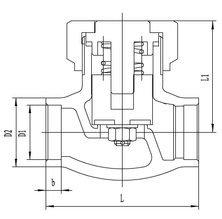
主要外形和连接尺寸(mm

       尺寸

产品代号

DN

D1

D2

L

L1

b

18DX10

10

14.5

20

65

40

8

18DX15

15

18.5

25

65

40

8

18DX20

20

25.5

32

80

58

8

18DX25

25

28.5

36

80

58

8

18DX25A

25

32.5

40

80

58

8

18DX32

32

38.5

44

100

70

8

18DX40

40

45.5

52

100

70

8