350DY系列
阅读次数:212 发布时间:2017-06-02
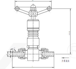
■DJ21F-40P 仪表阀 |
| 
|
主要技术参数: |
公称通径: | 6~15mm |
公称压力: | 4.0MPa |
适用介质: | LNG |
适用温度: | -196℃~+80℃ |
连接形式: | 螺纹 |
|
|
主要零件材料: |
阀体: | CF8 |
阀杆: | 06Cr19Ni10 |
密封圈: | PCTFE |
|
|
|
|
|
主要外形和连接尺寸(mm)
尺寸 产品代号 | DN | L开 | L关 | L | D0 | D1 | D2 |
350DY6 | 6 | 95 | 89 | 84 | 65 | 6 | 10 |
350DY10 | 10 | 147 | 132 | 141.5 | 90 | 10 | 14 |
350DY15 | 15 | 147 | 132 | 141.5 | 90 | 14 | 18 |