650Y系列
阅读次数:221 发布时间:2017-06-02
■DJ21W-320P 仪表阀 |
| 
|
主要技术参数: |
公称通径: | 10~15mm |
公称压力: | 32.0MPa |
适用介质: | LNG |
适用温度: | -196℃~+80℃ |
连接形式: | 螺纹 |
|
|
主要零件材料: |
阀体: | F304 |
阀杆: | 06Cr19Ni10 |
阀顶: | 06Cr19Ni10+钴基合金 |
|
|
|
|
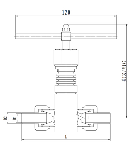
主要外形和连接尺寸(mm)
尺寸 产品代号 | DN | L开 | L关 | L | D0 | D1 | D2 |
650Y10 | 10 | 147 | 132 | 142 | 160 | 8 | 14 |
650Y15 | 15 | 147 | 132 | 142 | 160 | 14 | 22 |